| 插頭型式 | 圖一 | 圖二 | 圖三 | 圖四 | 圖五 | 中文說明 |
| A |  |  |  |  |  | 用於:北美和中美洲,日本
A型電插頭(或扁平刀片連接插頭)是一個帶有兩個扁平平行銷的未接地插頭。雖然美式和日式插頭看起來相同,但美式插頭上的中性針比活針更寬,而在日本插頭上,兩個針的尺寸相同。因此,日本插頭可以在美國使用,但往往不是相反。
A型和B型插頭上的插針在尖端附近有一個孔,可以插入某些插座的觸點刮水器上的“凸起”,這樣可以更緊密地夾住插針,從而更好地接觸並防止插頭滑動插座外面。一些插座具有彈簧作用刀片,可夾住銷釘的兩側,使孔洞過時。 |
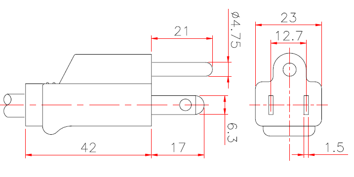
| B |  |  |  |  |  | 用於:北美和中美洲,日本
B型電插頭有兩個扁平的並聯引腳和一個圓形接地(或接地)引腳。接地引腳比其他兩個引腳長,因此設備在連接電源之前接地。與A型插頭一樣,美國和日本版本略有不同。
B型插頭的額定電流為15安培。 |
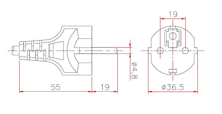
| C |  |  |  |  |  | 用於:歐洲,英國,愛爾蘭,塞浦路斯和馬耳他
C型電插頭(或Europlug)是一種雙線插頭,有兩個圓形插針。它適用於任何可在19 mm中心接受4.0 - 4.8 mm圓形觸點的插座。它們被E,F,J,K或N插座取代,與C型插頭完美配合。
C型插頭通常限於用於需要2.5安培或更小的電器。 |
| D |  |  |  |  |  | 用於:印度,斯里蘭卡,尼泊爾,納米比亞
D型電插頭有三個三角形的圓形銷。M型插頭通常與D型插頭一起用於大型設備,因此,一些插座可與D型和M型插頭配合使用。
D型插頭的額定電流為5安培。 |
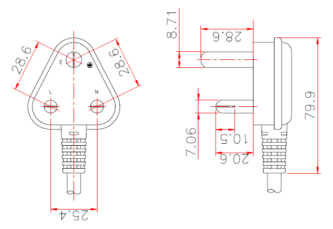
| E |  |  |  |  |  | 用於:法國,比利時,斯洛伐克和突尼斯等國家
E型電插頭有兩個間距為19 mm的4.8 mm圓形插針和一個用於插座的公接地插針的孔。E型插頭呈圓形,E型插座有圓形凹槽。E型插頭的額定電流為16安培。
注意:CEE 7/7插頭開髮用於E型和F型插座,帶有母觸點(用於接受E型插座的接地插針)並且兩側都有接地夾(用於F型插座) 。 |
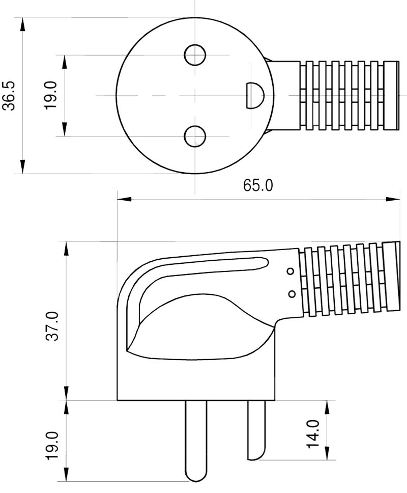
| F |  |  |  |  |  | 用於:德國,奧地利,荷蘭和西班牙等
F型電插頭(也稱為Schuko插頭)有兩個間距為19 mm的4.8 mm圓形銷。它類似於E型插頭,但側面有兩個接地夾,而不是母接地觸頭。CEE 7/7插頭開髮用於插座E和F,兩側都有接地夾(與F型插座配合使用)和一個母接頭(用於接受E型插座的接地插針)。
F型插頭的額定電流為16安培。 |
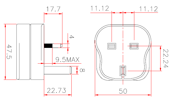
| G |  |  |  |  |  | 用於:英國,愛爾蘭,塞浦路斯,馬耳他,馬來西亞,新加坡,香港
G型電插頭有三個三角形矩形刀片,並帶有一個內置保險絲(通常是3安培保險絲,用於較小的設備,如計算機,13安培保險絲,用於重型設備,如加熱器)。英國插座在帶電和中性觸點上有快門,因此不能將異物引入其中。 |
| H |  |  |  |  |  | 用於:以色列
H型插頭是以色列獨有的,有兩個V形扁銷和一個接地銷。然而,目前正在逐步取消圓形固定版本。H型插座中的孔在中間較寬,以便容納H型插頭的圓形固定版本以及C型插頭。
H型插頭的額定電流為16安培。 |
| I |  |  |  |  |  | 用於:澳大利亞,新西蘭,巴布亞新幾內亞,阿根廷
I型插頭有兩個V形扁平引腳和一個接地引腳。還存在一種僅具有兩個扁平銷的插頭版本。澳大利亞插頭也適用於中國的插座。
澳大利亞的標準插頭/插座系統額定電流為10安培,但也存在額定15安培的插頭/插座配置,但接地引腳更寬。標準的10安培插頭可插入15安培插座,但不是相反。 |
| J |  |  |  |  |  | 用於:瑞士和利希滕斯坦
J型插頭有兩個圓形引腳和一個接地引腳。儘管J型插頭看起來很像巴西N型插頭,但它與N型插座不兼容,因為接地插針遠離中心線而不是N型插頭。但是,C型插頭與J型插座完全兼容。
J型插頭的額定電流為10安培。 |
| K |  |  |  |  |  | 用於:丹麥和格陵蘭
K型插頭有兩個圓形引腳和一個接地引腳。它類似於F型,不同之處在於F型有接地夾而不是接地針。C型插頭與F型插座完美兼容。E型插頭和插座也用於丹麥。 |
| L |  |  |  |  |  | 用於:意大利
L型插頭有兩種型號,一種額定電流為10安培,另一種額定電流為16安培。10安培版本有兩個圓形引腳,厚度為4毫米,間隔5.5毫米,中間有一個接地引腳。16安培版本有兩個圓形引腳,5毫米厚,間隔8毫米,以及一個接地引腳。意大利有一種“通用”插座,包括一個用於C,E,F和L插頭的“schuko”插座和一個用於L和C插頭的“bipasso”插座。 |
| M |  |  |  |  |  | 用於:南非,斯威士蘭,萊索托
M型插頭有三個圓形插針,呈三角形圖案,看起來類似於印度D型插頭,但其插針要大得多。M型插頭有時用於使用D型插頭的國家以及以色列(H型)的大型電器。因此,這些國家的插座有時可以使用M型插頭。 |
| N |  |  |  |  |  | 用於:巴西
N型插頭有兩種變體,一種額定電流為10安培,一種額定電流為20安培。10安培版本有兩個4毫米厚的圓形針腳和一個接地針腳。20安培版本用於較重的設備,有兩個直徑4.8毫米的圓形針腳和一個接地針腳。N型插座也設計用於C型插頭。
巴西是少數使用兩種電壓的國家之一。雖然大多數州使用127 V,但其中一些使用220 V.因此,在插入設備之前找出本地電壓非常重要(注意:錯誤的電壓可能會損壞您的設備)。在巴西銷售的許多電器都是雙電壓。 |